




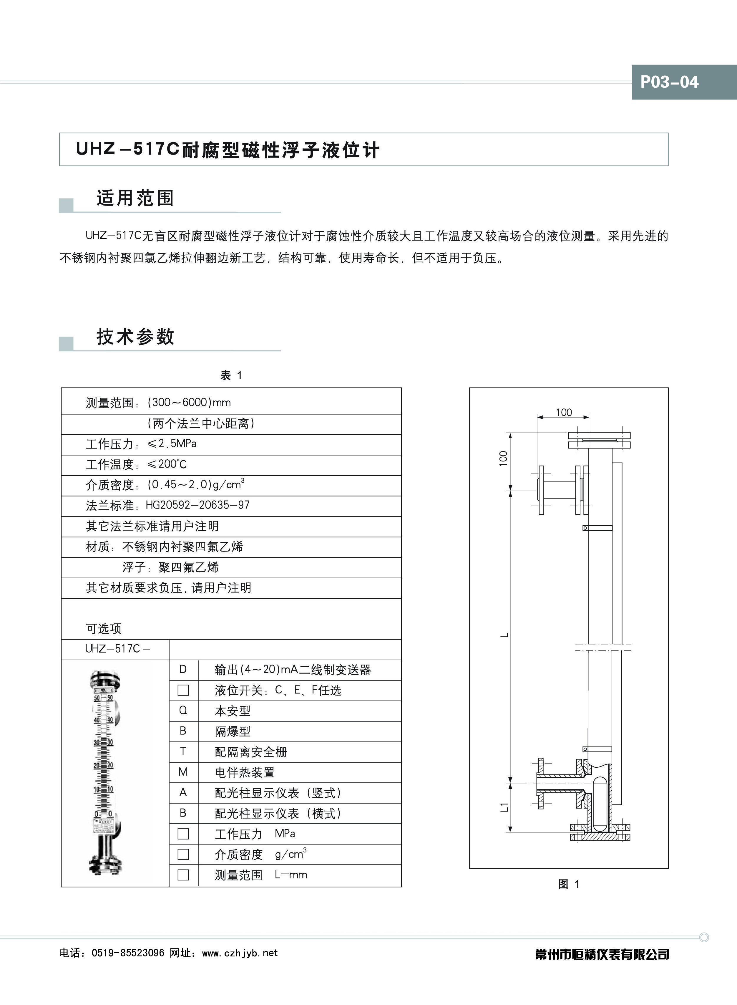
磁懸浮子液位計主要用于檢測各種塔、罐、罐、球形容器、鍋爐等的液位??稍诟呙芊狻⒎佬孤⒏邏?、高溫、腐蝕等條件下測量液位,具有安全可靠的特點。它彌補了玻璃板(管)式液位計不清晰、易破碎等缺陷,不受高溫和低溫劇變的影響,不需要多組液位計組合。整個測量過程無盲區,顯示醒目,直讀,測量范圍大?,F場指示部分不與液體介質直接接觸,優于高溫、高壓、高粘度、有毒、有害、強腐蝕性介質。因此,它比傳統的玻璃管板液位計更可靠、安全、先進、實用。側置磁懸浮轉柱液位計最顯著的特點是液體介質與指示器完全隔離,在任何情況下都是非常安全、可靠和耐用的。此外,各類液位計均設有液位報警和控制開關,可實現液位或接口的上下液位報警、控制或聯鎖。本系列側置磁傾柱液位計適用于電力、石油、化工、冶金、環保、船舶、建筑、食品等行業生產過程中液位的測量和控制。