





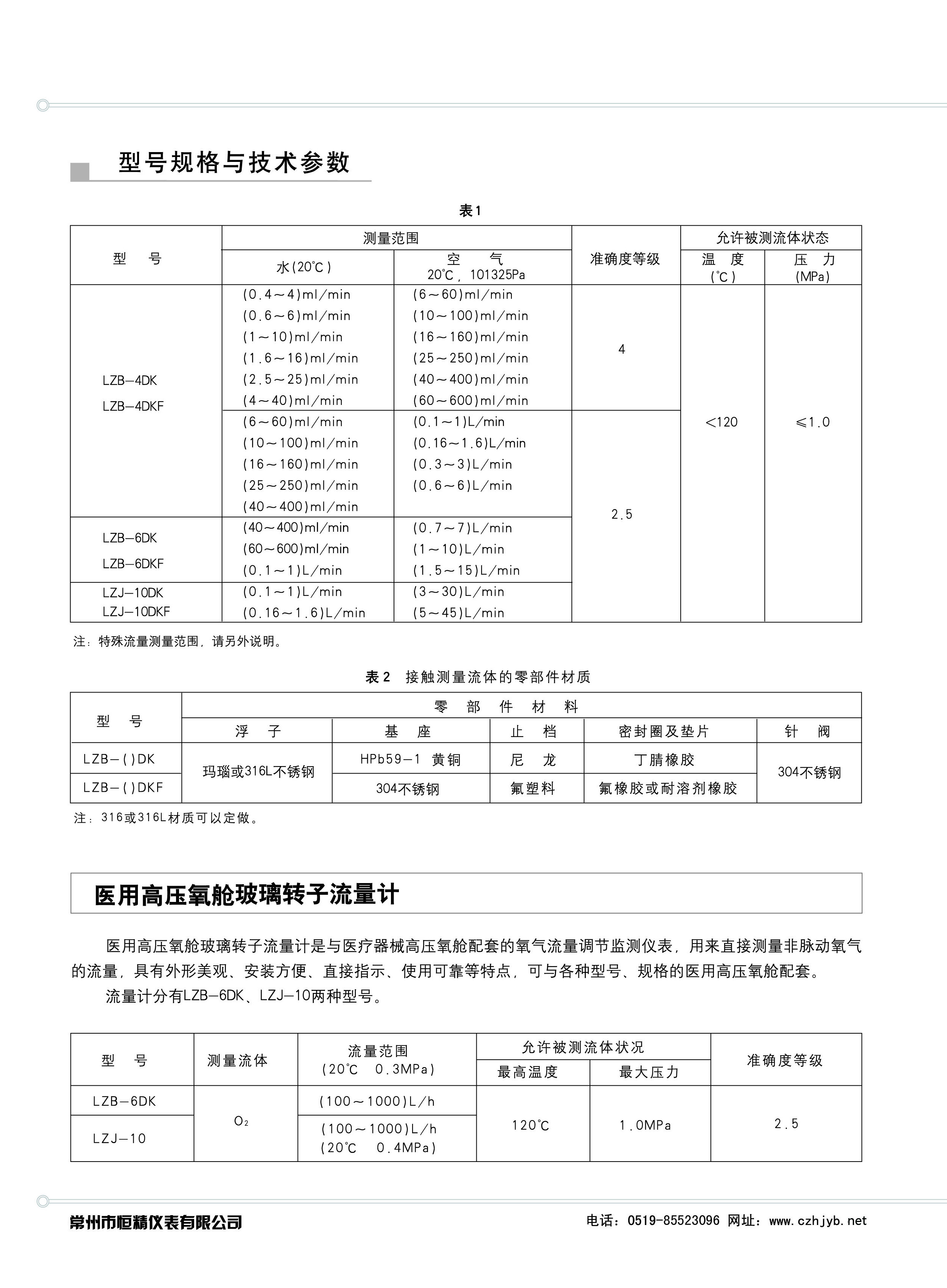
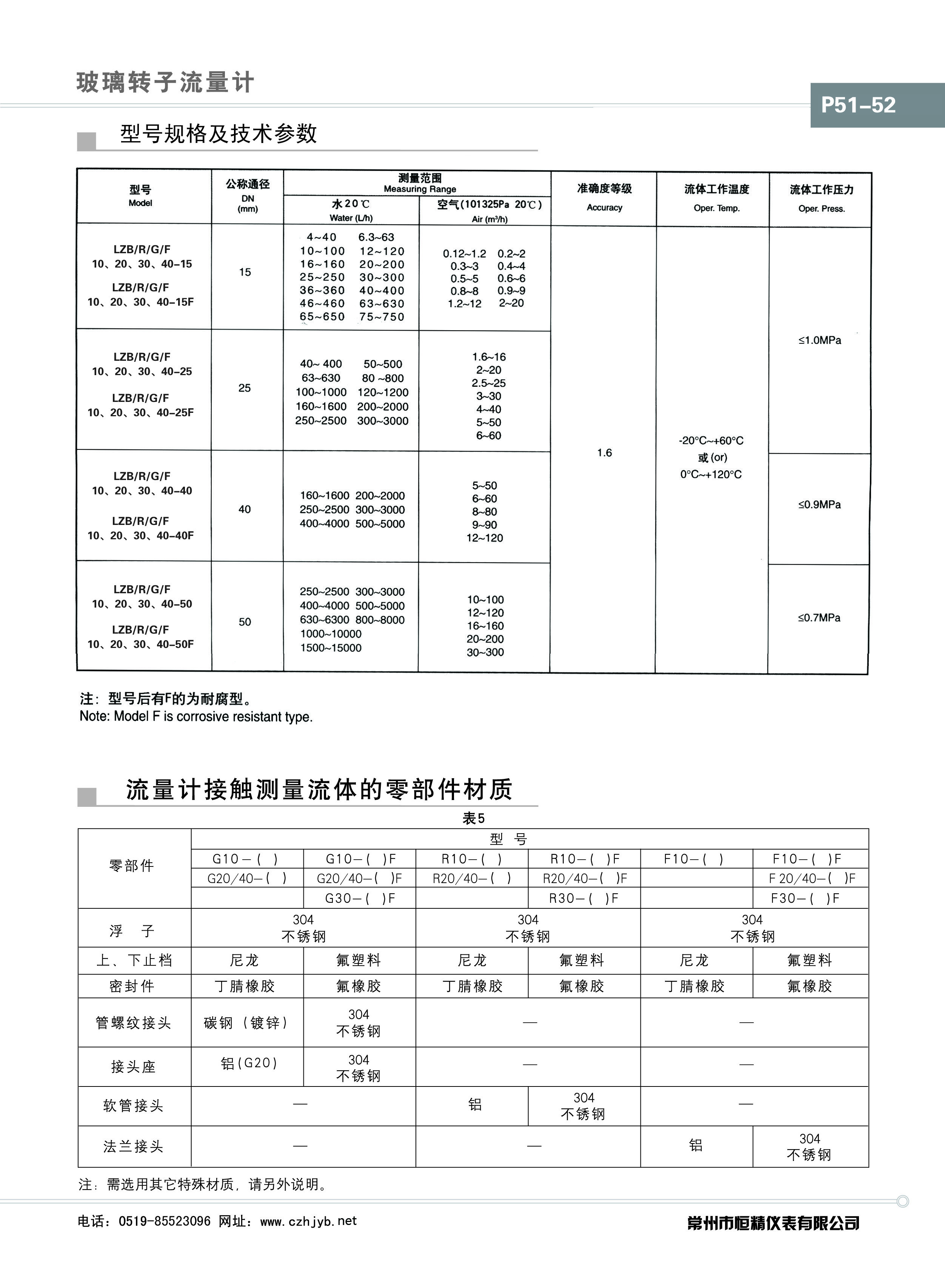
玻璃轉子流量計廣泛應用于化工、石油、輕工、醫藥、環保、食品計量、科研等部門測量單相非脈動流體(液體或氣體)的流量。耐腐蝕玻璃轉子流量計具有較強的耐腐蝕性,可檢測酸(氫氟酸除外)、堿、氧化劑等腐蝕性氣體或液體的流動,適用于化工、制藥、造紙、污水處理等行業。不銹鋼玻璃轉子流量計主要由一個錐形玻璃管擴大從下到上,不銹鋼浮上下移動的流量。當流體流過錐形管從下到上,產生的升力年代流體動能的浮動和浮力流體使浮動起來。當升力S和浮力A之和等于浮子本身的重力G時,浮子在一定高度處于平衡穩定狀態。錐管上的刻度表示流體的流量值。玻璃轉子流量計錐管為光滑的內壁管,直徑在DN15以上的流量計通過導桿上下運動,保持穩定。流量計錐管內壁有三根導筋,保持浮子穩定,直徑小于DN10的流量計與軟管連接,并配有針形流量調節閥。DN15以上流量計與法蘭連接。