






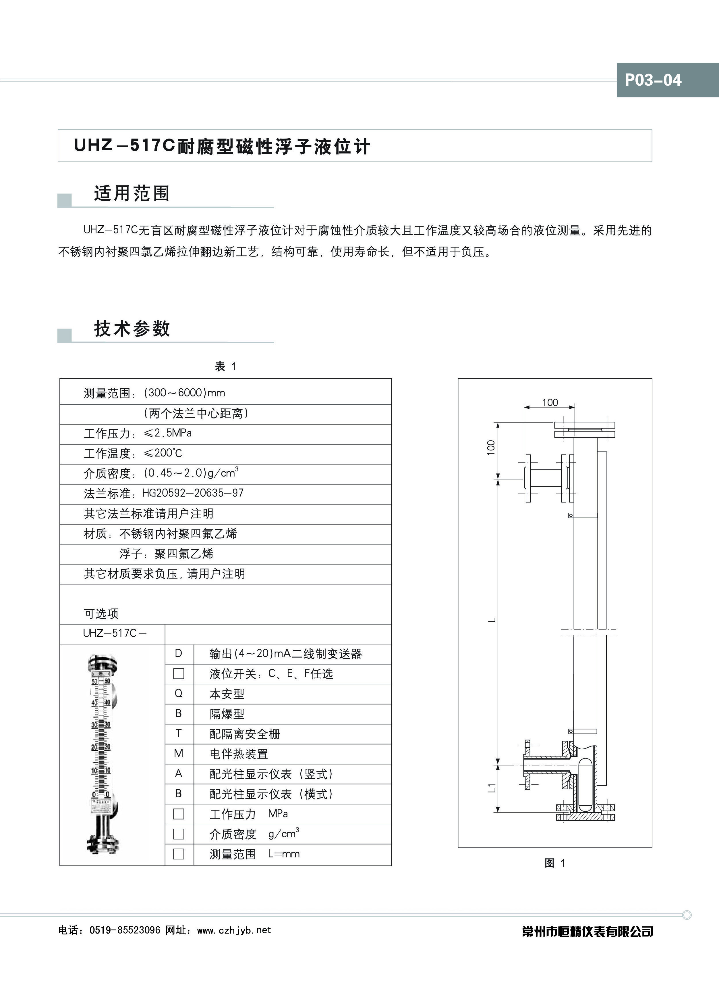
磁性浮子式液位計是一種快速拆裝方便,安裝位置,中心距可以任意選擇,觀察可以任意改變方向,并指示可見性大,結構合理,方便安裝和調試,少量的維護和低價格優勢。是石油、化工、冶金、電力、醫藥等行業,為各種塔、罐、罐、箱、容器內介質,如反應堆液位檢測和監測的理想儀器。
我單位根據各行業的具體情況,研制了各種性能的UHC型磁性浮子式翻轉板(翻轉柱)液位計,按安裝方式有側安裝式、內浮球側安裝式、插入式等。有就地顯示、就地顯示和遠程輸電、上下限報警、夾套式、高溫、高壓、耐腐蝕等多種規格,能滿足廣大用戶的需要。